source:
firmware/ShutterController/docs@
19067
| Name | Size | Rev | Age | Author | Last Change |
|---|---|---|---|---|---|
| ../ | |||||
| dpnc303_sch.pdf | 30.5 KB | 14272 | 14 years | ShutterControlled, committing figures for the manual | |
| FactShutter.tex | 10.1 KB | 14280 | 13 years | first drfat of the manual | |
| FactShutterManual_v0.1.pdf | 1.4 MB | 14280 | 13 years | first drfat of the manual | |
| LA23_cable.pdf | 461.8 KB | 14274 | 14 years | shutter controller docs: adding description of the cabling | |
| LA23_connector.jpg | 62.8 KB | 14274 | 14 years | shutter controller docs: adding description of the cabling | |
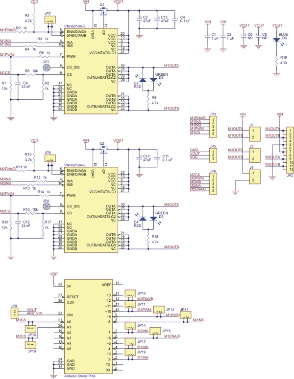
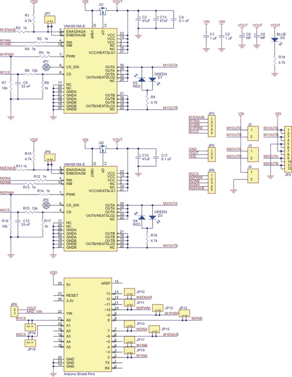
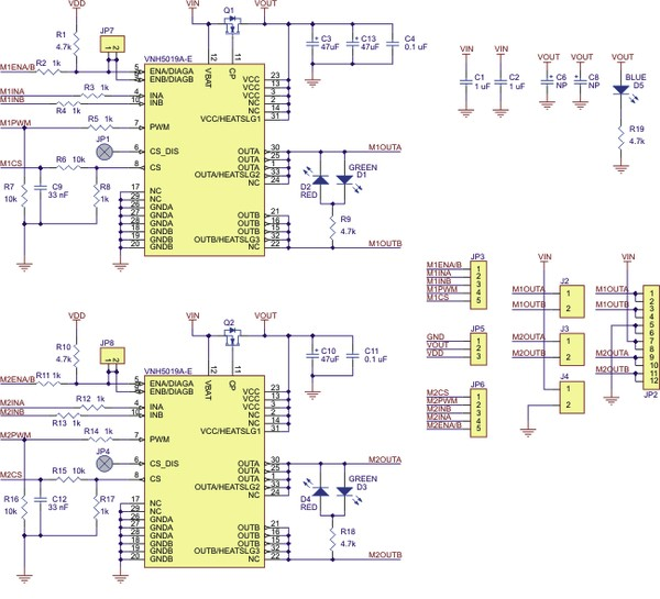
| pololu_sch.jpg | 93.7 KB | 14272 | 14 years | ShutterControlled, committing figures for the manual | |
| pololu_sch_small.jpg | 93.7 KB | 14272 | 14 years | ShutterControlled, committing figures for the manual | |
| pololu_sch_small.png | 309.3 KB | 14272 | 14 years | ShutterControlled, committing figures for the manual | |
| pololu_use.jpg | 60.0 KB | 14272 | 14 years | ShutterControlled, committing figures for the manual | |
| pololu_use.png | 156.3 KB | 14272 | 14 years | ShutterControlled, committing figures for the manual | |
| shutter_detail.key | 461.6 KB | 14272 | 14 years | ShutterControlled, committing figures for the manual | |
| shutter_photo1.jpg | 149.2 KB | 14274 | 14 years | shutter controller docs: adding description of the cabling | |
| shutter_photo2.jpg | 227.7 KB | 14274 | 14 years | shutter controller docs: adding description of the cabling | |
| shutter_photo.key | 686.3 KB | 14274 | 14 years | shutter controller docs: adding description of the cabling | |
| shutter_sketch.key | 476.1 KB | 14270 | 14 years | adding docs | |
| shutter_sketch.pdf | 73.5 KB | 14270 | 14 years | adding docs | |
| unigeLogo.jpg | 26.1 KB | 14270 | 14 years | adding docs | |
Note:
See TracBrowser
for help on using the repository browser.
